In the field of microwave and RF engineering, phase accuracy directly impacts overall system performance. Talent Microwave has launched the new TLMPS-40G-50-S ultra-wideband manually adjustable phase shifter. With its broadband capability covering the entire DC–40?GHz frequency range, combined with excellent phase control and high stability, it effectively addresses phase-control challenges in high-frequency applications. This product provides a bandwidth-friendly and easy-to-use solution for fields such as microwave testing, satellite communications, and cutting-edge scientific research.

Key Specifications:
Ultra-Wideband Coverage: Breaks through bandwidth limitations, achieving seamless coverage across the full DC–40?GHz range with strong compatibility.
High-Precision Phase Control: Offers a wide phase shift of 50?°/GHz and high phase sensitivity of +1.2?×?f?(GHz), enabling precise phase adjustment. Ultra-low insertion loss (only 2?dB) and excellent VSWR (1.4–1.6) ensure stable signal transmission.
Measured Curves:
Maximum Phase Shift:
Application Scenarios
Microwave Testing & Measurement: Compensates for cable phase errors in analog and digital signals to improve test accuracy.
Frontier Research: Offers a low-cost, easy-to-use phase modulation tool for university RF labs and research institutes, supporting microwave theory education and advanced research such as optical frequency combs.
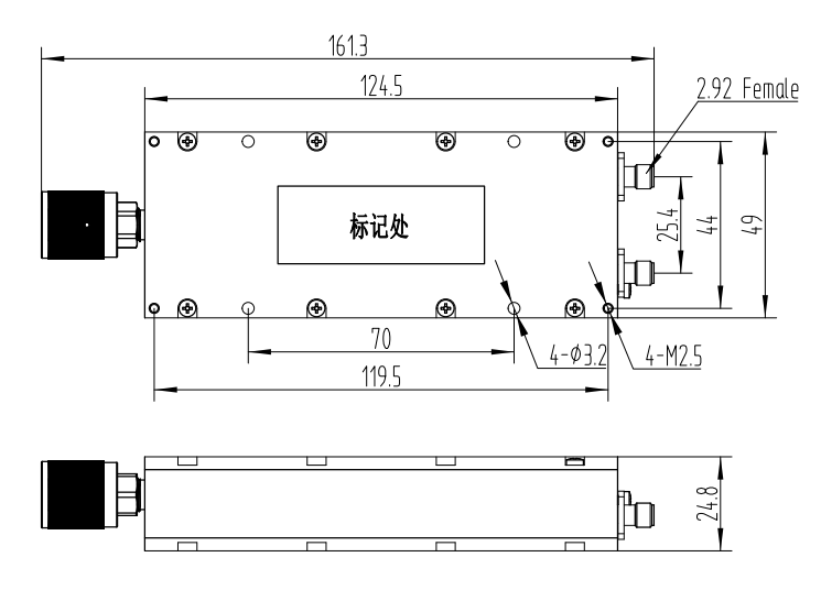
Outline Drawing:
The TLMPS-40G-50-S manually adjustable phase shifter integrates ultra-wideband coverage, precise phase shifting, and outstanding performance. Contact us today for your ultra-wideband phase-shifting solution.




